[課程] 成大機械系 機械畫 課程
發展興趣
畫圖是獻慶的興趣之一,特別是對房子、車子、等立體物件的幾何結構。在國中小解數學題時,也使用繪圖法對題目進行破解。在某種程度上,也是讓自己的能力能跟學校課業結合。
一般而言,我們腦中都有空間的概念,很多時候也能徒手畫出一些東西。雖然不是頂專業,但足以表達一些立體感之類的需求。
也許有人會認為這是一種天分。
天分總是有的,但畫圖是一種技術(不管是畫哪種圖,油畫、漫畫、隨便畫...),而在工程製圖裡面更是有許許多多的規範。這並不只是天分的問題,而是需要學習這些共同的溝通語言。
也許有人會認為這是一種天分。
天分總是有的,但畫圖是一種技術(不管是畫哪種圖,油畫、漫畫、隨便畫...),而在工程製圖裡面更是有許許多多的規範。這並不只是天分的問題,而是需要學習這些共同的溝通語言。
在大四這一年,獻慶跑去機械系修了一系列的圖學課程,包含: 工程圖學1、工程圖學2、機械畫。
其中機械畫(或稱機械製圖)這們課,課程目標在於獲得使用專業的工具進行手繪,繪製組合圖、零件圖、剖視圖、尺度標註等能力。
為了這門課,獻慶還特地跟建築系的鄭明倫借了一本工程圖學來參考。
大四上學期同時修機械畫跟工程圖學1。也就是說,我在沒有修過工程圖學的背景下,就去學進階的機械畫課程了。我曾問過助教,他說有工程圖學的底子再來修機械畫這門課,會比較順暢。
一開始沒有基本的工程圖學,確實會有些進入障礙。但是不懂的東西就多翻書,或者請教助教,上課認真學習、思考如何畫得更接近自己的想像。
隨著時間與熱情的投入,製圖的能力有慢慢的提升。畫到後來連助教都來借圖去影印,說是系上要留下來當範本,更是讓獻慶很有被肯定的感覺啊~~~! (有趣的是,科系那欄上面寫的是"物理工程學系",科科!)
課程
每周一次的課程,每次三堂課。照理說,課程的規劃應該是三小時左右就會畫完,但要畫好的話,時間總是會超出三小時,或者更多。而且,很多的機械製圖規範得自己回去看,才能消化吸收這些規則。
使用製圖桌,上面有L型的尺可以固定位置及角度,方便繪圖。
每周的課程都有不同的學習主題:
- 圖號102 控制器。
- 圖號103 導板。
- 圖號104 連接器。
- 圖號105 精度標註。
- 圖號106 幾何公差(1)。
- 圖號107 幾何公差(2)。
- 圖號108 螺紋。
- 圖號109 吊鉤。
- 圖號110 螺栓及螺帽。
- 圖號111 半月鍵。
- 圖號112 軸承。
參考書目: CNS機械製圖 / 陳朝光 等著
作品說明
圖號102 控制器
![]() |
| 圖號102 控制器。 |
這是一個控制器的三視圖(上視圖、正視圖、側視圖)及剖面圖的練習。其中A-A剖面及B-B剖面置於圖面的右上角,並且在上視圖表註剖面位置(割面線A-A及B-B)。
一個基本的三視圖練習,不過原題目是長這個樣子:
"由兩個視圖補繪第三視圖,若有必要並以剖視方式表示各視圖。"
消失的那張前視圖得自己腦補,並畫出來。
繪圖比例1:1。使用第三角法投影(會用圖表示投影方式,而不會用文字另外做說明了)。裡面的圓型並不是使用圓規作畫,而是使用"圓形定規"進行作圖。用圓規除了會造成紙面上的圓心處打了個洞外,有些不好的圓規還會在畫了一圈圓之後,半徑變得不一樣,接不起來。就是說,那個圓變成捲心酥了。
![]() |
| 第三角法投影 |
課程規定使用鉛筆進行做圖,以方便圖面修改。
由於對自己的作圖有信心,所以就使用了水性原子筆去繪圖。當然,作圖前會用鉛筆來進行結構草稿描繪。
當時使用PILOT水性黑色原子筆0.3, 0.5, 0.7來進行繪製。
另外,有圖桌上的L型尺可以固定在桌面上,再加上自己帶的三角板跟直尺,就能將剖面線畫得平行,而不會歪來歪去。這裡讓獻慶體驗到了製圖桌的功能以及方便。
![]() |
| 使用水性原子筆畫圖。有圖桌及工具補助,剖面線可以畫得比較均勻。 |
圖號103 導板
![]() |
| 圖號103 導板。 |
為了繪圖速度,而選擇使用鉛筆做畫。可以看得出來,鉛筆畫出來的線,沒有像黑色原子筆畫出來的那樣銳利跟清晰。
![]() |
| 導板三視圖。 |
![]() |
| 導板輔助視圖。表達溝槽的角度。 |
圖號104 連接器
![]() |
| 圖號104 連接器。 |
連接器正視圖及側視圖。正視圖的左上角區塊採用局部剖面顯示細節。並練習表面符號的標註。
![]() |
| 抄繪該圖。比例採1:1,視角依照原圖,注意將零件表面所有的舊加工符號,全部改成新制表面符號,表面粗糙度任選適當值。 |
清晰的圖面來自於原子筆作圖。
![]() |
| 連接器正視圖及側視圖 |
圖號105 精度標註
| 圖號105 精度標註。 |
圖面很簡單,主題是精度標註。並解釋名詞,標秤尺度、限界尺度、零線、配合、標準公差。
需要寫很多字。圖形使用鉛筆簡單帶過就好。
![]() |
| 精度標註(1) |
圖號106 幾何公差(1)
![]() |
| 圖號106 幾何公差(1)。 |
從這張圖開始,都是用原子筆完成圖面。那種步步為營的專注感,讓獻慶感受到每一筆的重要性,還有製圖前在腦中該如何規劃繪圖順序。
![]() |
| 幾何公差(1) 圖形(4) |
圖號107 幾何公差(2)
![]() |
| 圖號107 幾何公差(2)。 |
![]() |
| 抄繪該圖,補足尺寸並說明圖中每一個幾何公差所代表的精度意義。 |
![]() |
| 幾何公差練習圖 |
用原子筆認真畫下去後,連助教更正一些錯誤都用上了直尺認真畫(之前都是用手直接牽線,會發抖那種線)。
![]() |
| 助教的紅筆痕跡,連直尺都用上了,很認真! |
圖號108 螺紋
![]() |
| 圖號108 螺紋。 |
看起來不怎麼樣的螺紋三兄弟,讓獻慶從下午開始,畫了超過三小時,進度才過半。助教耐不住了,先回研究室去了。獻慶只記得離開機械系館時,看到了高掛的月亮,而且差點買不到自助餐。之後的圖面,繪製時間也都沒有少於三小時,獻慶幾乎都是幫助教關教室的電燈跟鎖門。
![]() |
| 三種不同的螺紋表示方法。由上而下分別為三角形螺紋、方螺紋、梯形螺紋。 |
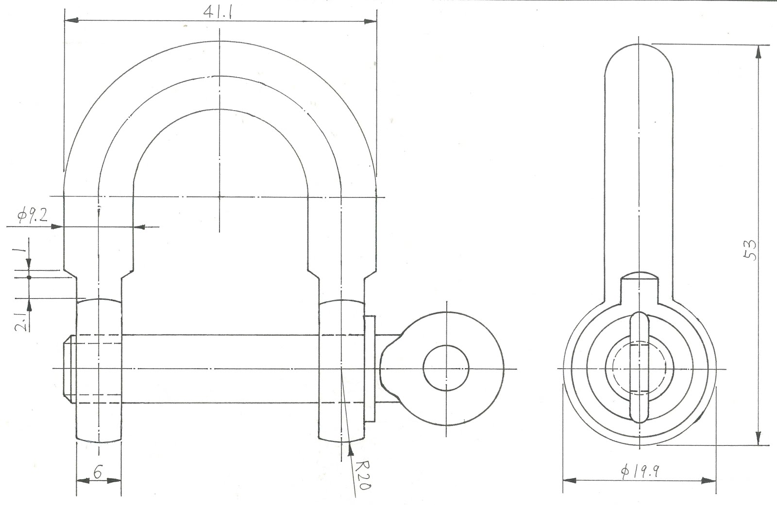
圖號109 吊鉤
![]() |
| 圖號109 吊鉤。 |
這是發給各位一個真實的吊鉤,再給一個游標尺。請自行量尺寸、畫出上視圖及側視圖。
首先在方眼紙上徒手手繪草圖(直接用筆,不用尺規),畫上大致上的形狀、比例,還有主要的尺度。
在方眼紙上畫圖有個好處,就是容易估計長度。假設躍遷一條30mm長的橫線,那就看起點在那裡,畫一條跨過30格的線,就好了,不用拿尺去慢慢對出一個30mm。
![]() |
| 徒手手繪草圖。 |
這裡有個技巧: 由於人類眼睛還有游標卡尺的精確度有限,請避免畫太精細的結構。例如機械加工時,會做上去的平滑用圓角,這種圓角用手摸得出來,但以現有的設備卻是無法測量。
主要結構能呈現出來,是重點!
有了草圖之後,再去慢慢修正為"正版"。
![]() |
| 吊鉤上視圖及側視圖 |
![]() |
| 栓上視圖及側視圖。 |
圖號110 螺栓及螺帽
![]() |
| 圖號110 螺栓及螺帽。 |
螺栓及螺帽的側視剖面圖及上視圖。
圖號111 半月鍵
![]() |
| 圖號111 半月鍵。 |
半月鍵練習。從表中選定一組規格之半月鍵進行作圖。
![]() |
| 表 CNS 172 半月鍵 |
圖號112 軸承
![]() |
| 圖號112 軸承。 |
軸承練習。從表中選定一組規格之軸承進行練習。
共有兩件。分別為CNS 2862 徑向深溝滾珠軸承以及CNS 2864 深溝止推滾珠軸承。
![]() |
| 表 CNS 2862 徑向深溝滾珠軸承 |
![]() |
| 表 CNS 2864 深溝止推滾珠軸承 |
![]() |
| CNS 2862 徑向深溝滾珠軸承 |
![]() |
| CNS 2864 深溝止推滾珠軸承 |
應用
一開始發展興趣,大多只是為了好玩for fun。
但這卻是很重要的一步。因為,認真學到的東西,就是自己的。這些東西哪天會發揮效果,到是不一定。但是,在學習的過程中,必須要認真,努力地去學習、去思考。
沒想到獻慶大學時,for fun學到的功夫,在後來作研究時,都派上了用場。讓獻慶可以找到方法去處理論文中的機械結構圖、幾何結構圖、數據圖,還有期刊封面。
舉例: 在最近的作品"Electronic and optical properties of graphene nanoribbons in external fields"這個回顧文章中,每張數據圖以及那經典的封面,都是獻慶親手處理,絕無假手他人。
獻慶仍然記得當年,論文指導教授曾說過: "你去學畫圖是沒有用的啦!"
現在看來,你說呢?!
感謝
成大機械系林震銘老師開這個課程,讓獻慶有學習跟發展興趣的機會。
助教們提供一些繪圖上的建議,還有耐心等待獻慶將圖畫完。
(FB link: https://www.facebook.com/hsienching.chung/posts/1223286367684330 )
鄭明倫出借那本工程圖學。讓獻慶方便查找一些工程製圖的基礎知識。特別是在那個internet不發達的年代。
精文堂印刷廠的鍾和翰老闆不辭辛勞掃描這些紙本,提供高解析的圖檔來使用。催生這篇Po文。原本十年前就想寫這篇了,但無奈掃描A3尺寸文件的技術性問題始終沒有解決,就一直擺著。
| 工程圖學 |
(FB link: https://www.facebook.com/hsienching.chung/posts/1223286367684330 )










































GOOD! ^_^
回覆刪除